Goodrive310-UL series VFDs are wall or flange mountable devices for controlling asynchronous AC induction motors and permanent magnet synchronous motors.
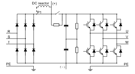
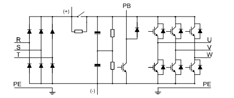
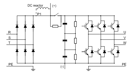
The diagram below shows the simplified main circuit diagram of the VFD. The rectifier converts three-phase AC voltage to DC voltage. The capacitor bank of the intermediate circuit stabilizes the DC voltage. The converter transforms the DC voltage back to AC voltage for the AC motor. The brake pipe connects the external braking resistor to the intermediate DC circuit to consume the feedback energy when the voltage in the circuit exceeds its maximum limit.

Figure 3-1 Main circuit (VFDs of 220V 18.5–55kW; 460V G-type≥37kW, P-type≥45kW)

Figure 3-2 Main circuit (VFDs of 220V≤15kW; 460V G-type≤30kW, P-type≤37kW)

Figure 3-3 Simplified main circuit diagram (VFDs of 575V)
Note:
1. The VFDs of 220V (18.5–55kW) and 460V (G-type≥37kW, P-type≥45kW) supports external DC reactors and external braking units, but it is necessary to remove the copper tag between P1 and (+) before connecting. DC reactors and external braking units are optional.
2. The VFDs of 220V (≤15kW), 460V (G-type≤30kW, P-type≤37kW) supports external braking resistors which are optional.
3. The VFDs of 575V supports external DC reactors and external braking units, but it is necessary to remove the copper tag between P1 and (+) before connecting. DC reactors and external braking units are optional.