Connection diagram of main circuit for the VFDs of AC 3PH 380V–480V

Figure 4-7 Connection diagram of main circuit for the VFD of
220V ≤15kW; 460V G-type≤30kW, P-type≤37kW

Figure 4-8 Connection diagram of main circuit for the VFDs of
220V 18.5–55kW; 460V G-type≥37kW, P-type≥45kW
Note:
The fuse, DC reactor, braking unit, braking resistor, input reactor, input filter, output reactor, output filter are optional parts. Please refer to Peripheral options and parts for detailed information.
P1 and (+) are short circuited in factory for the VFDs of 220V (≥18.5kW), 460V (G-type≥37kW, P-type≥45kW), if need to connect with the DC rector, please remove the contact tag between P1 and (+).
Remove the yellow warning labels of PB, (+) and (-) on the terminals before connecting the braking resistor; otherwise, poor connection may occur.

Figure 4-9 Connection diagram of main circuit for the VFDs of 575V
Note:
The fuse, DC reactor, braking unit, braking resistor, input reactor, input filter, output reactor, output filter are optional parts. Please refer to Peripheral Optional Parts for detailed information.
P1 and (+) are short circuited in factory, if need to connect with the DC rector, please remove the contact tag between P1 and (+).

Figure 4-10 Terminals of main circuit for the VFDs of
220V 0.75kW and 460V G-type 1.5–2.2kW

Figure 4-11 Terminals of main circuit for the VFDs of
220V 1.5–2.2kW and 460V G-type 4–5.5kW, P-type 5.5–7.5kW

Figure 4-12 Terminals of main circuit for the VFDs of
220V 4–5.5kW and 460V G-type 7.5–11kW, P-type 11–15kW

Figure 4-13 Terminals of main circuit for the VFDs of
220V 7.5kW and 460V G-type 15–18.5kW, P-type 18.5–22kW

Figure 4-14 Terminals of main circuit for the VFDs of
220V 11–15kW and 460V G-type 22–30kW, P-type 30–37kW

Figure 4-15 Terminals of main circuit for the VFDs of
220V 18.5–30kW and 460V G-type 37–55kW, P-type 45–55kW and 575V 18.5–37kW

Figure 4-16 Terminals of main circuit for the VFDs of 220V 37–55kW
460V G-type 75–110kW, P-type 75–110kW and 575V 45–110kW

Figure 4-17 Terminals of main circuit for the VFDs of
460V G-type 132–200kW, P-type 132–220kW

Figure 4-18 Terminals of main circuit for the VFDs of
460V G-type 220–315kW, P-type 250–350kW

Figure 4-19 Terminals of main circuit for the VFDs of
460V G-type 350–500kW, P-type 400–500kW
Terminal | 220V≤15kW 460V G-type≤30kW 460V P-type≤37kW | 220V≥18.5kW | Function | |
460V G-type≥37kW 460V P-type≥45kW | ||||
575V | ||||
R, S, T | Power input of the main circuit | 3-phase AC input terminals which are generally connected with the power supply. | ||
U, V, W | The VFD output | 3-phase AC output terminals which are generally connected with the motor. | ||
P1 | / | DC reactor terminal 1 | P1 and (+) are connected with the terminals of DC reactor. (+) and (-) are connected with the terminals of braking unit. PB and (+) are connected with the terminals of braking resistor. | |
(+) | Braking resistor 1 | DC reactor terminal 2, braking unit terminal 1 | ||
(-) | / | Braking unit terminal 2 | ||
PB | Braking resistor 2 | / | ||
PE | 460V: the grounding resistor is less than 10Ohm | Protective grounding terminals, every machine is provided 2 PE terminals as the standard configuration. These terminals should be grounded with proper techniques. | ||
A1 and A2 | Control power supply terminal | Optional parts (external 220V control power supply) | ||
Note:
Do not use an asymmetrically constructed motor cable. If there is a symmetrically constructed grounding conductor in the motor cable in addition to the conductive shield, connect the grounding conductor to the grounding terminal at the VFD and motor ends.
Braking resistor, braking unit and DC reactor are optional parts.
Route the motor cable, input power cable and control cables separately.
GD series VFDs cannot share the DC bus with CH series VFDs.
When sharing the DC bus, the VFDs must be the same in power and must be simultaneously powered on or off.
In shared DC bus running mode, current balance on the VFD input side must be considered during wiring, and equalizing reactors are recommended to be configured.
If the terminal description is “/”, the machine does not provide the terminal as the external terminal.
1. Connect the ground line of input power cable to the ground terminal of VFD (PE) directly, and connect 3PH input cable to R, S and T and fasten up.
2. Connect the ground line of motor cable to the ground terminal of the VFD, and connect the 3PH motor cable to U, V, W and fasten up.
3. Connect the brake resistor which carries cables to the designated position.
4. Fasten up all the cables on the outside of the VFD if allowed.

Figure 4-20 Correct installation of the screw

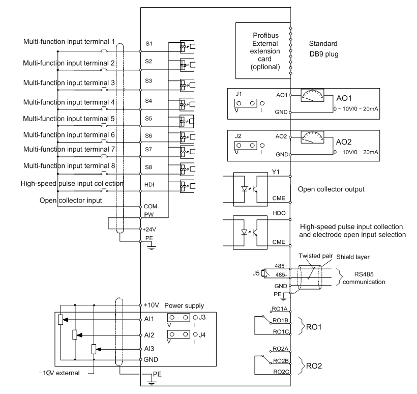
Figure 4-21 Wiring of control circuit

Figure 4-22 Terminals of control circuit
Terminal name | Description | ||
+10V | Local power supply +10V | ||
AI1 | 1. Input range: AI1/AI2 voltage and current can be chosen: 0–10V/0–20mA; AI1 can be shifted by J3; AI2 can be shifted by J4 AI3: -10V–+10V 2. Input impedance: voltage input: 20kΩ; current input: 500Ω 3. Resolution: the minimum one is 5mV when 10V corresponds to 60Hz 4. Deviation ±1%, 25°C | ||
AI2 | |||
AI3 | |||
GND | +10V reference null potential | ||
AO1 | 1. Output range: 0–10V or 0–20mA 2. The voltage or the current output is depended on the jumper 3. Deviation±1%, 25°C | ||
AO2 | |||
RO1A | RO1 relay output, RO1A NO, RO1B NC, RO1C common terminal Contactor capability: 3A/AC250V, 1A/DC30V | ||
RO1B | |||
RO1C | |||
RO2A | RO2 relay output, RO2A NO, RO2B NC, RO2C common terminal Contactor capability: 3A/AC250V, 1A/DC30V | ||
RO2B | |||
RO2C | |||
PE | Grounding terminal | ||
PW | Provide the input switch working power supply from external to internal. Voltage range: 12–24V | ||
24V | The VFD provides the power supply for users with a max output current of 200mA | ||
COM | +24V common terminal | ||
S1 | Switch input 1 | 1. Internal impedance: 3.3kΩ 2. 12–30V voltage input is available 3. The terminal is the dual-direction input terminal supporting both NPN and PNP 4. Max input frequency: 1kHz 5. All are programmable digital input terminal. User can set the terminal function through function codes. | |
S2 | Switch input 2 | ||
S3 | Switch input 3 | ||
S4 | Switch input 4 | ||
S5 | Switch input 5 | ||
S6 | Switch input 6 | ||
S7 | Switch input 7 | ||
S8 | Switch input 8 | ||
HDI | Except for S1–S8, this terminal can be used as high frequency input channel. Max. input frequency: 50kHz | ||
HDO | 1. Switch input: 50mA/30V 2. Output frequency range: 0–50kHz | ||
COM | +24V common terminal | ||
CME | Common terminal of the open collector pole output | ||
Y1 | 1.Swtich capability: 50mA/30V 2.Output frequency range: 0–1kHz | ||
485+ | 485 communication interface and 485 differential signal interface If it is standard 485 communication interface, please use twisted pairs or shield cable. | ||
485- | |||
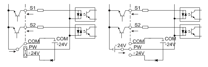
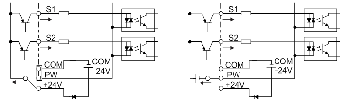
Please use U-shaped contact tag to set NPN mode or PNP mode and the internal or external power supply. The default setting is NPN internal mode.

Figure 4-23 U-shaped contact tag
If the signal is from NPN transistor, please set the U-shaped contact tag between +24V and PW as below according to the used power supply.

Figure 4-24 NPN modes
If the signal is from PNP transistor, please set the U-shaped contact tag as below according to the used power supply.

Figure 4-25 PNP modes