
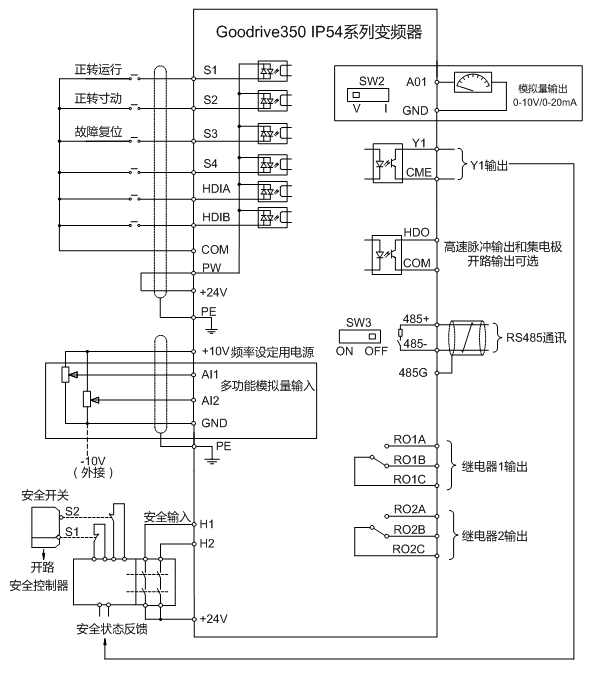
图 4–12 控制回路接线图
注意:控制板上端子全部接线时,若过线板出线孔空间不够,请剪开下面盖上的敲落孔用于出线。若不以出线为目的打开敲落孔,发生危险,本公司不承担任何责任。
端子名称 | 说明 | |
+10V | 本机提供的+10.5V电源。 | |
AI1 | 输入范围:AI1电压电流可选0~10V,0~20mA; AI2:-10V~+10V电压; 输入阻抗:电压输入时20kΩ,电流输入时250Ω; AI1电压或电流输入由功能码P05.50切换设定; 分辨率:在10V对应50Hz时,最小分辨率5mV; 25℃,输入5V或10mA以上时,误差±0.5%。 | |
AI2 | ||
GND | +10.5V的参考零电位 | |
AO1 | 输出范围:0~10V电压或0~20mA电流; 电压或电流输出由拨码开关SW2设定; 25℃,输出5V或10mA以上时,误差±0.5%。 | |
RO1A | RO1继电器输出;RO1A常开,RO1B常闭,RO1C公共端; 触点容量:3A/AC250V,1A/DC30V。 | |
RO1B | ||
RO1C | ||
RO2A | RO2继电器输出,RO2A常开,RO2B常闭,RO2C公共端; 触点容量:3A/AC250V,1A/DC30V。 | |
RO2B | ||
RO2C | ||
HDO | 开关容量:50mA/30V; 输出频率范围:0~50kHz; 占空比50%。 | |
COM | +24V的公共端 | |
CME | 开路集电极输出的公共端,出厂时与COM短接 | |
Y1 | 开关容量:50mA/30V; 输出频率范围:0~1kHz。 | |
485+ | 485通讯端口,485差分信号端口,标准485通讯接口请使用双绞线屏蔽线,485通讯的120欧终端匹配电阻通过拨码开关SW3选择接入。 | |
485- | ||
PE | 接地端子 | |
PW | 由外部向内部提供输入开关量工作电源; 电压范围:12~30V。 | |
24V | 变频器提供用户电源,最大输出电流200mA | |
COM | +24V的公共端 | |
S1 | 开关量输入1 | 1、内部阻抗:3.3kΩ 2、可接受12~30V电压输入 3、该端子为双向输入端子,支持NPN和PNP接法 4、最大输入频率:1kHz 5、全部为可编程数字量输入端子,用户可通过功能码设定端子功能 |
S2 | 开关量输入2 | |
S3 | 开关量输入3 | |
S4 | 开关量输入4 | |
HDIA | 除有S1~S4功能外,还可作为高频脉冲输入通道; 最大输入频率:50kHz; 占空比:30%~70%; 支持24V电源的正交编码器输入,具有测速功能。 | |
HDIB | ||
+24V—H1 | STO输入1 | 1、 安全转矩停止(STO)冗余输入,外接常闭触点,触点断开时STO动作,变频器停止输出; 2、 安全输入信号线使用屏蔽线,接线长度控制在25米以内; 3、 出厂时H1、H2端子均与+24V短接,使用STO功能时需要将端子上的短接片拆除。 |
+24V—H2 | STO输入2 | |
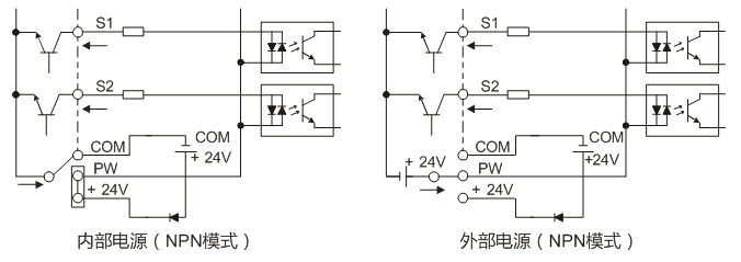
请利用U型短接片设定NPN模式/PNP模式以及内部/外部电源的选择。 出厂时设定为NPN内部模式。

图 4–13 U型短接位置示意图
当输入信号来自NPN晶体管时,请根据使用的电源,按图设置+24V和PW之间的U型短接片。

图 4–14 NPN模式示意图
当输入信号来自PNP晶体管时,请根据使用的电源,如图所示设定U型短接片。

图 4–15 PNP模式示意图