
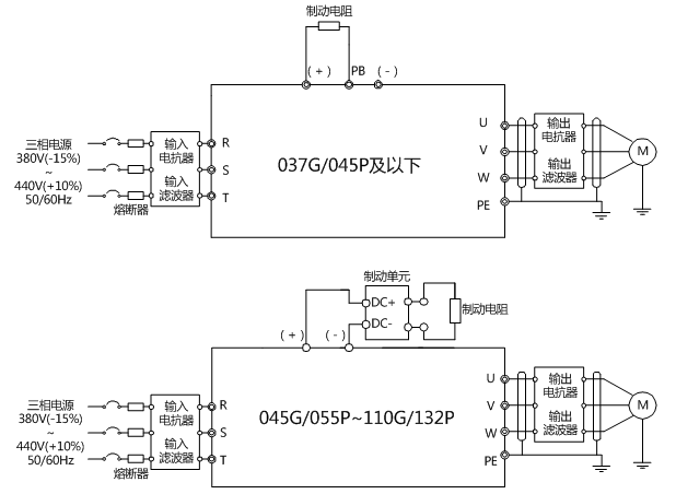
图 4–7主回路接线图
注意:
1、 熔断器、直流电抗器、制动单元、制动电阻、输入电抗器、输入滤波器、输出电抗器、输出滤波器均为选配件,详情请参见附录D“外围选配件”。
2、 接制动电阻时,请将端子排上标有PB,(+),(-)黄色警示标签取下,再接制动电阻线,否则会导致接触不良。

图 4–8 022G/030P(含)以下主回路端子示意图

图 4–9 030G/037P~037G/045P(含)主回路端子示意图

图 4–10 045G/055P~110G/132P(含)主回路端子示意图(选配内置制动单元时启用PB)
端子符号 | 端子名称 | 功能描述 | |
380V 37kW以下(含) | 380V 45~110kW(含) | ||
R、S、T | 主回路电源输入 | 三相交流输入端子,与电网连接 | |
U、V、W | 变频器输出 | 三相交流输出端子,一般接电机 | |
(+) | 制动电阻端子1 | 制动单元端子1 | (+)、(-)外接制动单元端子 PB、(+)外接制动电阻端子 |
(-) | / | 制动单元端子2 | |
PB | 制动电阻端子2 | 无该端子 | |
PE | 接地电阻小于10欧姆 | 安全保护接地端子,每台机器标配两个PE端子,必须可靠接地 | |
注意:
1、 禁止使用不对称电机电缆。如果电机电缆中除了导电的屏蔽层之外,还有一根对称接地导体,那么请将接地导体在变频器端和电机端接地。
2、 制动电阻、制动单元和直流电抗器均为选配件。
3、 将电机电缆、输入动力电缆和控制电缆分开走线。
4、 “无该端子”表示变频器没有提供该端子作为外接端子。
5、 GD系列不能与CH系列共直流母线使用。
6、 共直流母线使用时,变频器功率必须相同,并且同时上电和断电。
7、 共直流母线使用,接线时需考虑变频器输入侧的均流,建议配置均流电抗器。
1、 将输入动力电缆的接地线与变频器的接地端子(PE)直接相连,将三相输入电缆连接到端子R、S和T,并紧固。
2、 将电机电缆的接地线连接到变频器的接地端子,将电机三相电缆连接到端子U、V和W,并紧固。
3、 将带电缆的制动电阻等选件连接到指定位置。
4、 如条件允许,在变频器外部将所有电缆进行机械固定。

图 4–11螺丝安装是否正确示意图