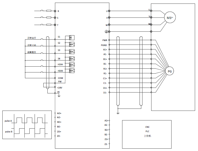
对外端子排布如下:
C1+ | C1- | D1+ | D1- | |||||||
PE | AO+ | BO+ | ZO+ | A1+ | B1+ | R1+ | A2+ | B2+ | Z2+ | PWR |
GND | AO- | BO- | ZO- | A1- | B1- | R1- | A2- | B2- | Z2- | GND |
指示灯定义:
指示灯位号 | 定义 | 功能 |
LED1 | 断线灯 | 编码器A1、B1路断线,则常灭,编码器C1、D1路断线,则闪烁,编码器信号正常,则常亮。 |
LED2 | 电源灯 | PG卡从控制板得电后即点亮。 |
LED3 | 状态灯 | 扩展卡与控制板正在建立连接:LED1常亮; 扩展卡与控制板连接正常:LED1周期性闪烁(周期1秒,亮0.5秒,灭0.5秒); 扩展卡与控制板断开连接:LED1常灭。 |
EC-PG502各端子定义如下:
信号名 | 端口说明 | 端子功能描述 |
PWR | 编码器电源 | 电压5V±5%,最大输出电流150mA, |
PGND | ||
A1+ | 编码器接口 | 1、支持正余弦编码器; 2、SINA/SINB/SINC/SIND 0.6~1.2Vpp;SINR 0.2~0.85Vpp 3、A/B信号频率响应最大200kHz:C/D信号频率响应最大1kHz; |
A1- | ||
B1+ | ||
B1- | ||
R1+ | ||
R1- | ||
C1+ | ||
C1- | ||
D1+ | ||
D1- | ||
A2+ | 脉冲给定 | 1、支持信号类型同编码器信号接口; 2、频率响应200kHz。 |
A2- | ||
B2+ | ||
B2- | ||
Z2+ | ||
Z2- | ||
AO+ | 分频输出 | 1、差分输出,兼容5V差分输入; 2、支持2的N次方分频,通过P20.16或P24.16设置。最大输出频率200kHz。 |
AO- | ||
BO+ | ||
BO- | ||
ZO+ | ||
ZO- |
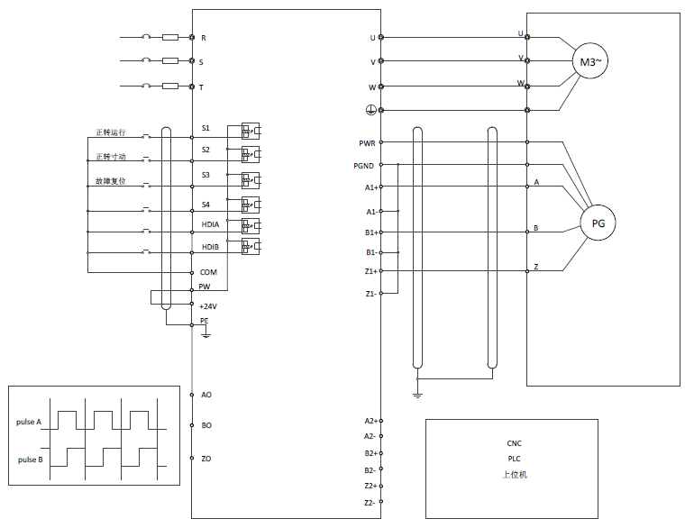
不带CD信号的编码器的接法如下:
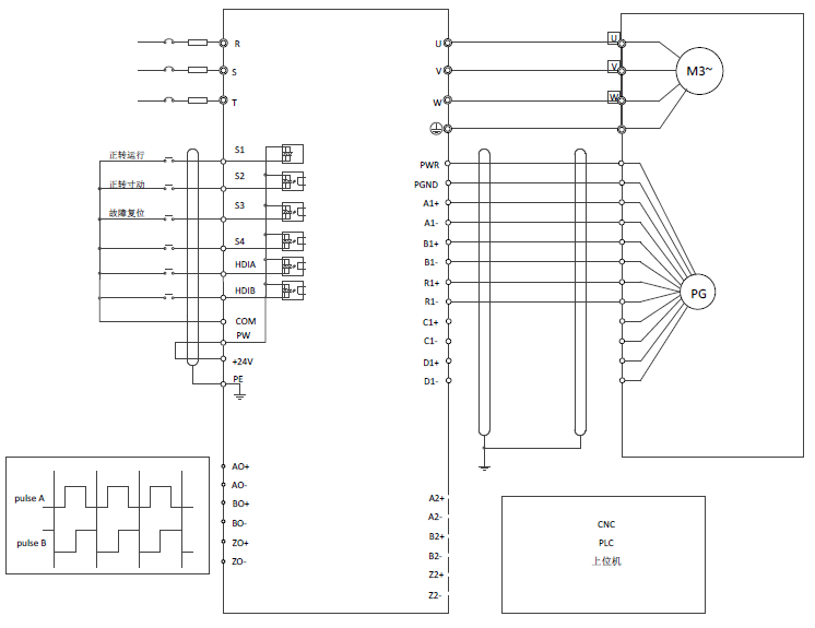
带CD信号的编码器的接法如下
对外端子排布如下:
A2+ | A2- | B2+ | B2- | Z2+ | Z2- | |||||
PE | AO+ | BO+ | ZO+ | A1+ | B1+ | Z1+ | U+ | V+ | W+ | PWR |
GND | AO- | BO- | ZO- | A1- | B1- | Z1- | U- | V- | W- | PGND |
指示灯定义:
指示灯位号 | 定义 | 功能 |
LED1 | 断线灯 | 编码器A1、B1断线,则常灭;脉冲正常则常亮;编码器与PG卡通讯异常则闪烁。 |
LED2 | 状态灯 | 扩展卡与控制板正在建立连接:LED2常亮; 扩展卡与控制板连接正常:LED2周期性闪烁(周期1秒,亮0.5秒,灭0.5秒) 扩展卡与控制板断开连接:LED2常灭。 |
LED3 | 电源灯 | PG卡从控制板得电后即点亮。 |
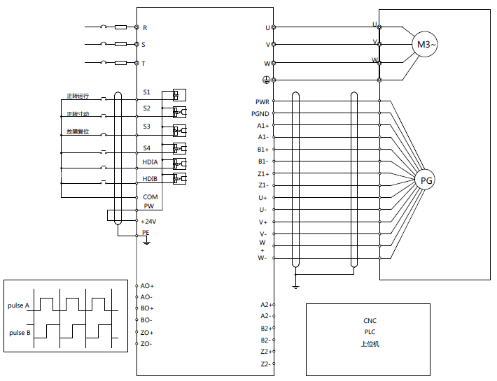
EC-PG503-05支持绝对位置信号输入,结合了绝对式编码器和增量式编码器的优点;采用弹簧式接线端子,使用方便。
EC-PG503-05端子功能说明:
信号名 | 端口说明 | 端子功能描述 |
PWR | 编码器电源 | 电压5V±5%,最大200mA. |
PGND | ||
A1+ | 编码器接口 | 1、5V差分增量PG接口; 2、频率响应400kHz。 |
A1- | ||
B1+ | ||
B1- | ||
Z1+ | ||
Z1- | ||
A2+ | 脉冲给定 | 1、5V差分输入; 2、频率响应200kHz。 |
A2- | ||
B2+ | ||
B2- | ||
Z2+ | ||
Z2- | ||
AO+ | 分频输出 | 1、5V差分输出; 2、支持1-255分频,通过P20.16或P24.16设置, |
AO- | ||
BO+ | ||
BO- | ||
ZO+ | ||
ZO- | ||
U+ | UVW编码器接口 | 1、混合式编码器绝对位置UVW信息,5V差分输入; 2、频率响应40kHz。 |
U- | ||
V+ | ||
V- | ||
W+ | ||
W- |
使用EC-PG503-05时的外部接线图如下所示:
PE | AO+ | BO+ | ZO+ | EX+ | SI+ | CO+ | A2+ | B2+ | Z2+ | PWR |
GND | AO- | BO- | ZO- | EX- | SI- | CO- | A2- | B2- | Z2- | PGND |
指示灯定义:
指示灯位号 | 定义 | 功能 |
LED1 | 状态灯 | 扩展卡与控制板正在建立连接:LED1常亮; 扩展卡与控制板连接正常:LED1周期性闪烁(周期1秒,亮0.5秒,灭0.5秒) 扩展卡与控制板断开连接:LED1常灭。 |
LED2 | 断线灯 | 编码器断线,则常灭,编码器信号正常,则常亮。编码器信号不稳定,则闪烁。 |
LED3 | 电源灯 | PG卡从控制板得电后即点亮。 |
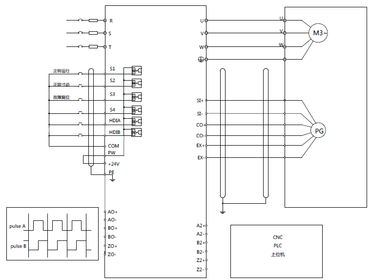
EC-PG504-00可与激励电压7Vrms的旋转变压器配套使用,采用弹簧式接线端子,使用方便。
EC-PG504-00端子功能说明:
信号名 | 端口说明 | 端子功能描述 |
SI+ | 编码器信号输入 | 1、推荐旋变变比为0.5。 |
SI- | ||
CO+ | ||
CO- | ||
EX+ | 编码器激励信号 | 1、激励出厂配置为10kHz; 2、支持激励电压7Vrms的旋转变压器。 |
EX- | ||
A2+ | 脉冲给定 | 1、5V差分输入; 2、频率响应200kHz。 |
A2- | ||
B2+ | ||
B2- | ||
Z2+ | ||
Z2- | ||
AO+ | 分频输出 | 1、差分输出,兼容5V差分输入; 2、旋变仿真A1、B1、Z1分频输出,等效为1024线增量型PG卡,支持2的N次方分频,通过P20.16或P24.16设置,最大输出频率200kHz。 |
AO- | ||
BO+ | ||
BO- | ||
ZO+ | ||
ZO- |
使用EC-PG504-00时外部接线图如下所示:
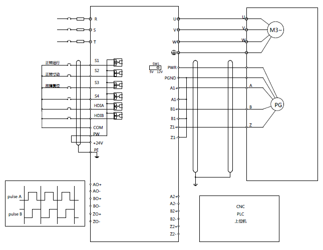
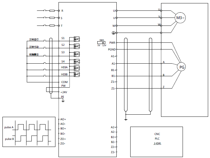
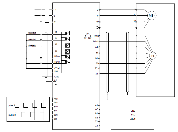
对外端子排布如下,编码器供电电压等级5V或12V通过拨码开关SW1选择,拨码开关可借助辅助工具操作。
PE | AO+ | BO+ | ZO+ | A1+ | B1+ | Z1+ | A2+ | B2+ | Z2+ | PWR |
GND | AO- | BO- | ZO- | A1- | B1- | Z1- | A2- | B2- | Z2- | PGND |
指示灯定义:
指示灯位号 | 定义 | 功能 |
LED1 | 状态灯 | 扩展卡与控制板正在建立连接:LED1常亮; 扩展卡与控制板连接正常:LED1周期性闪烁(周期1秒,亮0.5秒,灭0.5秒); 扩展卡与控制板断开连接:LED1常灭。 |
LED2 | 断线灯 | 编码器A1、B1路断线,则常灭,脉冲正常,则常亮。 |
LED3 | 电源灯 | PG卡从控制板得电后即点亮。 |
EC-PG505-12通过不同的外部接线方式可与多种增量式编码器配套使用,采用弹簧式接线端子,使用方便。
EC-PG505-12端子功能说明:
信号名 | 端口说明 | 端子功能描述 |
PWR | 编码器电源 | 电压5V/12V±5%,最大输出150mA,通过拨码开关SW1选择电压等级,根据所使用编码器的电压等级进行选择。 |
PGND | ||
A1+ | 编码器接口 | 1、支持5V/12V推挽接口; 2、支持5V/12V集电极开路接口; 3、支持5V差分接口; 4、频率响应200kHz。 |
A1- | ||
B1+ | ||
B1- | ||
Z1+ | ||
Z1- | ||
A2+ | 脉冲给定 | 1、支持信号类型同编码器信号接口; 2、频率响应200kHz。 |
A2- | ||
B2+ | ||
B2- | ||
Z2+ | ||
Z2- | ||
AO+ | 分频输出 | 1、5V差分输出; 2、支持1-255分频,通过P20.16或P24.16设置。 |
AO- | ||
BO+ | ||
BO- | ||
ZO+ | ||
ZO- |
与集电极开路型编码器配套使用时的外部接线图如下所示,PG卡内部配有上拉电阻:
与推挽型编码器配套使用时的外部接线图如下所示:
与差分型型编码器配套使用时的外部接线图如下所示:
对外端子排布如下:
PE | AO | BO | A1+ | B1+ | Z1+ | A2+ | B2+ | Z2+ | PWR |
GND | PGND | ZO | A1- | B1- | Z1- | A2- | B2- | Z2- | PGND |
指示灯定义:
指示灯位号 | 定义 | 功能 |
LED1 | 状态灯 | 扩展卡与控制板正在建立连接:LED1常亮; 扩展卡与控制板连接正常:LED1周期性闪烁(周期1秒,亮0.5秒,灭0.5秒); 扩展卡与控制板断开连接:LED1常灭。 |
LED2 | 断线灯 | 编码器A1、B1路断线,则常灭,脉冲正常,则常亮,闪烁则表示编码器和控制板通讯异常 |
LED3 | 电源灯 | PG卡从控制板得电后即点亮。 |
EC-PG505-24通过不同的外部接线方式可与多种增量式编码器配套使用,采用弹簧式接线端子,使用方便
EC-PG505-24端子功能说明:
信号名 | 端口说明 | 端子功能描述 |
PWR | 编码器电源 | 电压24V±5%,最大输出电流150mA, |
PGND | ||
A1+ | 编码器接口 | 1、支持24V推挽接口; 2、支持24V集电极开路接口; 3、频率响应200kHz。 |
A1- | ||
B1+ | ||
B1- | ||
Z1+ | ||
Z1- | ||
A2+ | 脉冲给定 | 1、支持信号类型同编码器信号接口; 2、频率响应200kHz。 |
A2- | ||
B2+ | ||
B2- | ||
Z2+ | ||
Z2- | ||
AO | 分频输出 | 1、集电极开路输出; 2、支持1-255分频,通过P20.16或P24.16设置。 |
BO | ||
ZO |
与集电极开路型编码器配套使用时的外部接线图如下所示,PG卡内部配有上拉电阻:
与推挽型编码器配套使用时的外部接线图如下所示:
对外端子排布如下,编码器供电电压等级5V或12V通过拨码开关SW1选择,拨码开关可借助辅助工具操作。
PE | A1+ | B1+ | Z1+ | PWR |
PGND | A1- | B1- | Z1- | PGND |
指示灯定义:
指示灯位号 | 定义 | 功能 |
LED1 | 状态灯 | 扩展卡与控制板正在建立连接:LED1常亮; 扩展卡与控制板连接正常:LED1周期性闪烁(周期1秒,亮0.5秒,灭0.5秒); 扩展卡与控制板断开连接:LED1常灭。 |
LED2 | 断线灯 | 编码器A1、B1路断线,则常灭,脉冲正常,则常亮。 |
LED3 | 电源灯 | PG卡从控制板得电后即点亮。 |
EC-PG507-12通过不同的外部接线方式可与多种增量式编码器配套使用,接线方式同EC-PG505-12 PG卡。EC-PG505-12端子功能说明如下:
信号名 | 端口说明 | 端子功能描述 |
PWR | 编码器电源 | 电压5V/12V±5%,最大输出150mA,通过拨码开关SW1选择电压等级,根据所使用编码器的电压等级进行选择。 |
PGND | ||
A1+ | 编码器接口 | 1、支持5V/12V推挽接口; 2、支持5V/12V集电极开路接口; 3、支持5V差分接口; 4、频率响应400kHz。 5、支持50米编码器线缆长度 |
A1- | ||
B1+ | ||
B1- | ||
Z1+ | ||
Z1- |