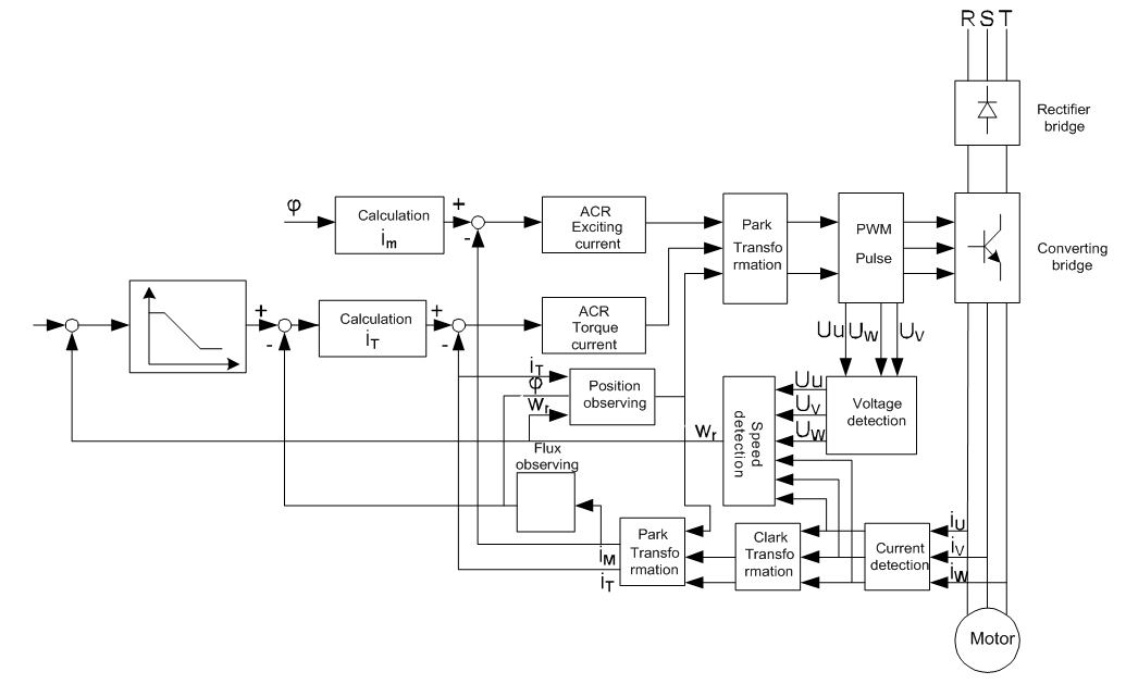
Because asynchronous motors have the characteristics of high stage, nonlinear, strong coupling and various variables, the actual control of the asynchronous motor is very difficult. Vector control is mainly used to settle this problem with the theme of that divide the stator current vector into exciting current (the current heft generating internal magnetic field of the motor) and torque current (the current heft generating torque) by controlling and measuring the stator current vector according to the principles of beamed magnetic field to control the range and phase of these two hefts. This method can realize the decoupling of exciting current and torque current to adjust the high performance of asynchronous motors.
Goodrive310-UL series VFDs are embedded with speed sensor-less vector control calculation for driving both asynchronous motors and synchronous motors. Because the core calculation of vector control is based on exact motor parameter models, the accuracy of motor parameter will impact on the performance of vector control. It is recommended to input the motor parameters and carry out autotune before vector running.
Because the vector control calculation is very complicated, high technical theory is needed for the user during internal autotune. It is recommended to use the specific function parameters in vector control with cautions.

Function code | Name | Detailed instruction of parameters | Default value |
P00.00 | Speed control mode | 0: Sensorless vector control mode 0 (apply to AM and SM) 1: Sensorless vector control mode 1 (applying to AM) 2: SVM control | 1 |
P00.15 | Motor parameter autotuning | 0: No operation 1: Rotating autotuning 2: Static autotuning 1 (autotune totally) 3: Static autotuning 2 (autotune part of the parameters) | 0 |
P02.00 | Motor type 1 | 0: Asynchronous motor 1: Synchronous motor | 0 |
P03.00 | Speed loop proportional gain1 | 0–200.0 | 20.0 |
P03.01 | Speed loop integral time1 | 0.000–10.000s | 0.200s |
P03.02 | Low switching frequency | 0.00Hz–P03.05 | 5.00Hz |
P03.03 | Speed loop proportional gain 2 | 0–200.0 | 20.0 |
P03.04 | Speed loop integral time 2 | 0.000–10.000s | 0.200s |
P03.05 | High switching frequency | P03.02–P00.03 (the max frequency) | 10.00Hz |
P03.06 | Speed loop output filter | 0–8 (corresponds to 0–28/10ms) | 0 |
P03.07 | Compensation coefficient of electromotion slip | 50%–200% | 100% |
P03.08 | Compensation coefficient of braking slip | 50%–200% | 100% |
P03.09 | Current loop percentage coefficient P | 0–65535 | 1000 |
P03.10 | Current loop integral coefficient 1 | 0–65535 | 1000 |
P03.11 | Torque setting method | This parameter is used to enable the torque control mode, and set the torque. 0: Torque control is invalid 1: Keypad setting torque (P03.12) 2: Analog AI1 setting torque 3: Analog AI2 setting torque 4: Analog AI3 setting torque 5: Pulse frequency HDI setting torque 6: Multi-step torque setting 7: MODBUS communication setting torque 8: PROFIBUS/CANopen communication setting torque 9: Ethernet communication setting torque 10: Reserved | 0 |
P03.12 | Keypad setting torque | -300.0%–300.0% (rated motor current) | 50.0% |
P03.13 | Torque reference filter time | 0.000–10.000s | 0.010s |
P03.14 | Upper frequency of forward rotation in vector control | 0: Keypad (P03.16 sets P03.14, P03.17 sets P03.15) 1: AI1 2: AI2 3: AI3 4: Pulse frequency HDI setting upper-limit frequency 5: Multi-step setting upper-limit frequency 6: MODBUS communication setting upper-limit frequency 7: PROFIBUS/CANopen communication setting upper-limit frequency 8: Ethernet communication setting upper-limit frequency 9: Reserved | 0 |
P03.15 | Upper frequency of reverse rotation in vector control | 0 | |
P03.16 | Keypad setting for upper frequency of forward rotation | Setting range: 0.00Hz–P00.03 (the max frequency) | 60.00Hz |
P03.17 | Keypad setting for upper frequency of reverse rotation | 60.00Hz | |
P03.18 | Upper electromotion torque source | 0: Keypad setting upper-limit frequency (P03.20 sets P03.18, P03.21 sets P03.19) 1: AI1 2: AI2 3: AI3 4: HDI 5: MODBUS communication 6: PROFIBUS/CANopen communication 7: Ethernet communication 8: Reserved | 0 |
P03.19 | Upper braking torque source | 0 | |
P03.20 | Keypad setting of electromotion torque | 0.0–300.0% (rated current of the motor) | 180.0% |
P03.21 | Keypad setting of braking torque | 180.0% | |
P03.22 | Flux weakening coefficient in constant power zone | 0.1–2.0 | 0.3 |
P03.23 | Lowest flux weakening point in constant power zone | 10%–100% | 20% |
P03.24 | Max. voltage limit | 0.0–120.0% | 100.0% |
P03.25 | Pre-exciting time | 0.000–10.000s | 0.300s |
P17.32 | Magnetic flux linkage | 0.0–200.0% | 0 |