Goodrive310-UL series VFDs support two kinds of control mode: torque control and rotation speed control. The core of rotation speed is that the whole control focuses on the stable speed and ensures the setting speed is the same as the actual running speed. The max load should be in the range of the torque limit. The core of torque control is that the whole control focuses on the stable torque and ensures the setting torque is the same as the actual output torque. At the same time, the output frequency is among the upper limit or the lower limit.

Function code | Name | Detailed instruction of parameters | Default value |
P00.00 | Speed control mode | 0: Sensorless vector control mode 0 (apply to AM and SM) 1: Sensorless vector control mode 1 (applying to AM) 2: SVM control | 1 |
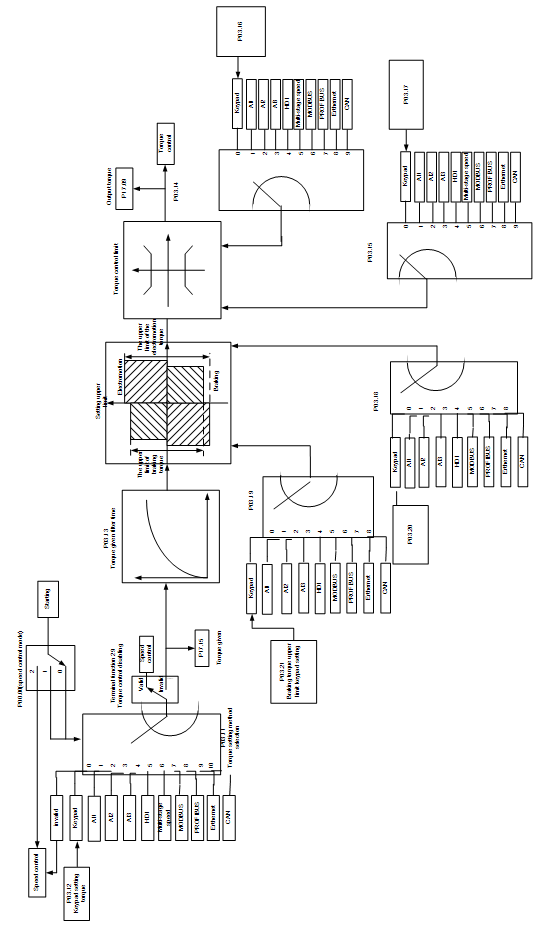
P03.11 | Torque setting method | 0: Torque control is invalid 1: Keypad setting torque (P03.12) 2: Analog AI1 setting torque 3: Analog AI2 setting torque 4: Analog AI3 setting torque 5: Pulse frequency HDI setting torque 6: Multi-step torque setting 7: MODBUS communication setting torque 8: PROFIBUS\CANopen communication setting torque 9: Ethernet communication setting torque 10: Reserved | 0 |
P03.12 | Keypad setting torque | -300.0%–300.0% (rated motor current) | 50.0% |
P03.13 | Torque reference filter time | 0.000–10.000s | 0.010s |
P03.14 | Upper frequency of forward rotation in vector control | 0: Keypad (P03.16 sets P03.14, P03.17 sets P03.15) 1: AI1 2: AI2 3: AI3 4: Pulse frequency HDI setting upper-limit frequency 5: Multi-step setting upper-limit frequency 6: MODBUS communication setting upper-limit frequency 7: PROFIBUS/CANopen communication setting upper-limit frequency 8: Ethernet communication setting upper-limit frequency 9: Reserved | 0 |
P03.15 | Upper frequency of reverse rotation in vector control | 0 | |
P03.16 | Keypad setting for upper frequency of forward rotation | 0.00Hz–P00.03 (the max frequency) | 60.00 Hz |
P03.17 | Keypad setting for upper frequency of reverse rotation | 0.00 Hz–P00.03 (the max frequency) | 60.00 Hz |
P03.18 | Upper electromotion torque source | 0: Keypad setting upper-limit frequency (P03.20 sets P03.18, P03.21 sets P03.19) 1: AI1 2: AI2 3: AI3 4: HDI 5: MODBUS communication 6: PROFIBUS/CANopen communication 7: Ethernet communication 8: Reserved | 0 |
P03.19 | Upper braking torque source | 0 | |
P03.20 | Keypad setting of electromotion torque | 0.0–300.0% (rated motor current) | 180.0% |
P03.21 | Keypad setting of braking torque | 0.0–300.0% (rated motor current) | 180.0% |
P17.09 | Output torque | -250.0–250.0% | 0.0% |
P17.15 | Torque reference | -300.0–300.0% (rated current of the motor) | 0.0% |