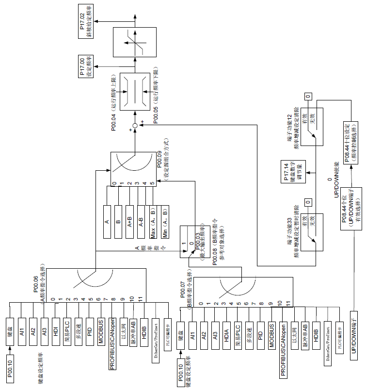
GD350-CCS系列的变频器频率给定有很多种方式,其给定通道可以分为主给定通道和辅助给定通道两种形式。
主给定通道有两个:A频率给定通道和B频率给定通道;两个给定通道可以进行相互之间的简易数学运算;通过设定的多功能端子也可以进行不同给定通道之间的动态切换。
辅助给定通道有一种输入方式:端子UP/DOWN开关输入等效为变频器内部的辅助给定输入UP/DOWN给定,用户可以通过设置功能码使能对应的给定方式和该给定方式对变频器频率给定的作用。
变频器实际给定由主给定通道和辅助给定通道相加而成。

GD350-CCS变频器内部支持不同给定通道之间的相互切换,具体通道切换规则如下:
当前给定通道 | 多功能端子功能13 A通道切换到B通道 | 多功能端子功能14 组合设定切换到A通道 | 多功能端子功能15 组合设定切换到B通道 |
A | B | / | / |
B | A | / | / |
A+B | / | A | B |
A-B | / | A | B |
Max(A,B) | / | A | B |
Min(A,B) | / | A | B |
注意:“/”表示在对应当前给定通道下,该多功能端子功能无效。
当选择通道多功能端子UP(10)和DOWN(11)来设定变频器内部的辅助频率时,可以通过设定UP端子频率增量变化率(P08.45)和DOWN端子频率变化率(P08.46),达到快速递增和快速递减设定频率的目的。

相关参数表:
功能码 | 名称 | 参数详细说明 | 缺省值 |
最大输出频率 | P00.04~400.00Hz | 50.00Hz | |
运行频率上限 | 50.00Hz | ||
运行频率下限 | 0.00Hz~P00.04 | 0.00Hz | |
A频率指令选择 | 0:键盘数字设定 1:模拟量AI1设定 2:模拟量AI2设定 3:模拟量AI3设定 4:高速脉冲HDIA设定 5:简易PLC程序设定 6:多段速运行设定 7:PID控制设定 8:Modbus通讯设定 9:PROFIBUS/CANopen/DeviceNET通讯设定 10:以太网通讯设定 11:高速脉冲HDIB设定 12:脉冲串AB设定 13:EtherCat/Profinet通讯设定 14:可编程扩展卡设定 15:保留 | 0 | |
B频率指令选择 | 15 | ||
B频率指令参考对象选择 | 0:最大输出频率 1:A频率指令 | 0 | |
设定源组合方式 | 0:A 1:B 2:(A+B)组合 3:(A-B)组合 4:Max(A,B)组合 5:Min(A,B)组合 | 0 | |
多功能数字量输入端子(S1~S4,HDIA,HDIB)功能选择 | 10:频率设定递增(UP) 11:频率设定递减(DOWN) 12:频率增减设定清除 13:A设定与B设定切换 14:组合设定与A设定切换 15:组合设定与B设定切换 | ||
预留变量 | |||
预留变量 | |||
UP/DOWN端子控制设定 | 0x000~0x221 个位:频率使能选择 0:UP/DOWN端子设定有效 1:UP/DOWN端子设定无效 十位:频率控制选择 1:所有频率方式均有效 2:多段速优先时,对多段速无效 百位:停机时动作选择 0:设定有效 1:运行中有效,停机后清除 2:运行中有效,收到停机命令后清除 | 0x000 | |
UP端子频率增量变化率 | 0.01~50.00 Hz/s | 0.50 Hz/s | |
DOWN端子减量频率变化率 | 0.01~50.00 Hz/s | 0.50 Hz/s | |
设定频率 | 0.00Hz~P00.03(最大输出频率) | 0.00Hz | |
斜坡给定频率 | 0.00Hz~P00.03(最大输出频率) | 0.00Hz | |
数字调节量 | 0.00Hz~P00.03 | 0.00Hz |
GD350-CCS系列标配2个模拟量输入端子(其中AI1为0~10V/0~20mA,AI1可通过P05.50选择电压输入还是电流输入,AI2为-10~10V)和2个高速脉冲输入端子。每个输入都能单独进行滤波,并可以调整通过设置最大、最小值对应的给定来设定对应的给定曲线。

相关参数表:
功能码 | 名称 | 参数详细说明 | 缺省值 |
HDI输入类型选择 | 0x00~0x11 个位:HDIA输入类型选择 0:HDIA为高速脉冲输入 1:HDIA为开关量输入 十位:HDIB输入类型选择 0:HDIB为高速脉冲输入 1:HDIB为开关量输入 | 0x00 | |
AI1下限值 | 0.00V~P05.26 | 0.00V | |
AI1下限对应设定 | -300.0%~300.0% | 0.0% | |
AI1上限值 | P05.24~10.00V | 10.00V | |
AI1上限对应设定 | -300.0%~300.0% | 100.0% | |
AI1输入滤波时间 | 0.000s~10.000s | 0.100s | |
AI2下限值 | -10.00V~P05.31 | -10.00V | |
AI2下限对应设定 | -300.0%~300.0% | -100.0% | |
AI2中间值1 | 0.00V | ||
AI2中间值1对应设定 | -300.0%~300.0% | 0.0% | |
AI2中间值2 | 0.00V | ||
AI2中间值2对应设定 | -300.0%~300.0% | 0.0% | |
AI2上限值 | P05.33~10.00V | 10.00V | |
AI2上限对应设定 | -300.0%~300.0% | 100.0% | |
AI2输入滤波时间 | 0.000s~10.000s | 0.100s | |
HDIA高速脉冲输入功能选择 | 0:频率设定输入 1:保留 2:编码器输入,需要配合HDIB使用 | 0 | |
HDIA下限频率 | 0.000 kHzkHz ~ P05.41 | 0.000kHz | |
HDIA下限频率对应设定 | -300.0%~300.0% | 0.0% | |
HDIA上限频率 | P05.39 ~50.000kHz | 50.000kHz | |
HDIA上限频率对应设定 | -300.0%~300.0% | 100.0% | |
HDIA频率输入滤波时间 | 0.000s~10.000s | 0.030s | |
HDIB高速脉冲输入功能选择 | 0:频率设定输入 1:保留 2:编码器输入,需要配合HDIA使用 | 0 | |
HDIB下限频率 | 0.000 kHz ~ P05.47 | 0.000kHz | |
HDIB下限频率对应设定 | -300.0%~300.0% | 0.0% | |
HDIB上限频率 | P05.45 ~50.000kHz | 50.000kHz | |
HDIB上限频率对应设定 | -300.0%~300.0% | 100.0% | |
HDIB频率输入滤波时间 | 0.000s~10.000s | 0.030s | |
AI1输入信号类型选择 | 0~1 0:电压型 1:电流型 | 0 |
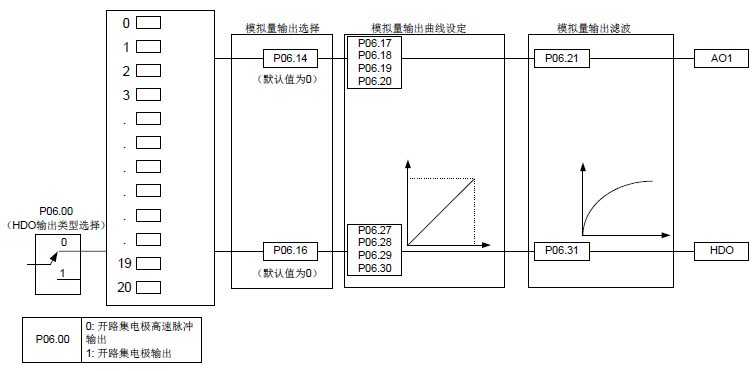
GD350-CCS系列标配1个模拟量输出端子(0~10V/0~20mA)和1个高速脉冲输出端子。模拟输出信号可以单独滤波,并可以通过设置最大、最小值及其对应输出的百分比来调节比例关系。模拟输出信号可以按一定的比例输出电机速度、输出频率、输出电流、电机转矩和电机功率等。

AO输出对应关系说明(分别与脉冲或模拟量输出0.0%~100.0%相对应,实际输出电压或脉冲频率与实际的百分比相对应,通过功能码可设置):
设定值 | 功能 | 说明 |
0 | 运行频率 | 0~最大输出频率 |
1 | 设定频率 | 0~最大输出频率 |
2 | 斜坡给定频率 | 0~最大输出频率 |
3 | 运行转速 | 0~最大输出频率对应的同步转速 |
4 | 输出电流(相对变频器) | 0~2倍变频器额定电流 |
5 | 输出电流(相对电机) | 0~2倍电机额定电流 |
6 | 输出电压 | 0~1.5倍变频器额定电压 |
7 | 输出功率 | 0~2倍电机额定功率 |
8 | 设定转矩值(双极性) | 0~2倍电机额定电流,负值默认对应0.0% |
9 | 输出转矩(绝对值) | 0~2倍电机额定转矩或0 ~ -2倍电机额定转矩 |
10 | 模拟AI1输入值 | 0~10V/0~20mA |
11 | 模拟AI2输入值 | 0V~10V,负值默认对应0.0% |
12 | 模拟AI3输入值 | 0~10V/0~20mA |
13 | 高速脉冲HDIA输入值 | 0.00~50.00kHz |
14 | Modbus通讯设定值1 | 0~1000 |
15 | Modbus通讯设定值2 | 0~1000 |
16 | PROFIBUS/CANopen/DeviceNet通讯设定值1 | 0~1000 |
17 | PROFIBUS/CANopen/DeviceNet通讯设定值2 | 0~1000 |
18 | 以太网通讯设定值1 | 0~1000 |
19 | 以太网通讯设定值2 | 0~1000 |
20 | 高速脉冲HDIA输入值 | 0.00~50.00kHz |
21 | EtherCat/Profinet通讯设定值1 | 0~1000,负值默认对应0.0% |
22 | 转矩电流(双极性) | 0~3倍电机额定电流,负值默认对应0.0% |
23 | 励磁电流 | 0~3倍电机额定电流,负值默认对应0.0% |
24 | 设定频率(双极性) | 0~最大输出频率,负值默认对应0.0% |
25 | 斜坡给定频率(双极性) | 0~最大输出频率,负值默认对应0.0% |
26 | 运行转速(双极性) | 0~最大输出频率对应的同步转速,负值默认对应0.0% |
27 | EtherCat/Profinet通讯设定值2 | 0~1000 |
28 | 来自PLC卡的C_AO1 | 0~1000 |
29 | 来自PLC卡的C_AO2 | 0~1000 |
30 | 运行转速 | 0~2倍电机额定同步转速 |
31 | 输出转矩(双极性) | 0~2倍电机额定转矩,负值默认对应0.0% |
32~47 | 预留变量 |
相关参数表:
功能码 | 名称 | 参数详细说明 | 缺省值 | |
HDO输出类型选择 | 0:开路集电极高速脉冲输出 1:开路集电极输出 | 0 | ||
AO1输出选择 | 0:运行频率(0~最大输出频率) 1:设定频率(0~最大输出频率) 2:斜坡给定频率(0~最大输出频率) 3:运行转速(0~最大输出频率对应的同步转速) 4:输出电流(0~2倍变频器额定电流) 5:输出电流(0~2倍电机额定电流) 6:输出电压(0~1.5倍变频器额定电压) 7:输出功率(0~2倍电机额定功率) 8:设定转矩值(0~2倍电机额定电流) 9:输出转矩(绝对值,0~正负2倍电机额定转矩) 10:AI1输入值(0~10V/0~20mA) 11:AI2输入值(0~10V) 12:AI3输入值(0~10V/0~20mA) 13:HDIA输入值(0.00~50.00kHz) 14:Modbus设定值1(0~1000) 15:Modbus设定值2(0~1000) 16:PROFIBUS/CANopen/DeviceNet设定值1(0~1000) 17:PROFIBUS/CANopen/DeviceNet设定值2(0~1000) 18:以太网设定值1(0~1000) 19:以太网设定值2(0~1000) 20:HDIB输入值(0.00~50.00kHz) 21:EtherCat/Profinet设定值1(0~1000) 22:转矩电流(双极性,0~3倍电机额定电流) 23:励磁电流(双极性,0~3倍电机额定电流) 24:设定频率(双极性,0~最大输出频率) 25:斜坡给定频率(双极性,0~最大输出频率) 26:运行转速(双极性,0~最大输出频率对应的同步转速) 27:EtherCat/Profinet设定值(0~1000) 28:C_AO1(P27.00需为1,0~1000) 29:C_AO2(P27.00需为1,0~1000) 30:运行转速(0~2倍电机额定同步转速) 31:输出转矩(实际值,0~2倍电机额定转矩) 32~47:保留 | 0 | ||
保留 | 0 | |||
HDO高速脉冲输出选择 | 0 | |||
AO1输出下限 | -300.0%~P06.19 | 0.0% | ||
下限对应AO1输出 | 0.00V~10.00V | 0.00V | ||
AO1输出上限 | P06.17~300.0% | 100.0% | ||
上限对应AO1输出 | 0.00V~10.00V | 10.00V | ||
AO1输出滤波时间 | 0.000s~10.000s | 0.000s | ||
预留变量 | ||||
HDO输出下限 | -300.0%~P06.29 | 0.0% | ||
下限对应HDO输出 | 0.00~50.00kHz | 0.0kHz | ||
HDO输出上限 | P06.27~300.0% | 100.0% | ||
上限对应HDO输出 | 0.00~50.00kHz | 50.00kHz | ||
HDO输出滤波时间 | 0.000s~10.000s | 0.000s | ||
GD350-CCS系列标配4路可编程的数字输入端子和2路HDI输入端子。所有数字量输入端子功能全部可以通过功能码进行编程。HDI输入端子则可以通过功能码选择为高速脉冲输入端子或者是普通开关量输入端子;当选择为高速脉冲输入端子时,用户还可以通过设置来选择HDIA或HDIB高速脉冲输入作为频率给定、编码器信号输入。

此参数用于设定数字多功能输入端子对应的功能。
注意:两个不同的多功能输入端子不能设置为同一功能。
设定值 | 功能 | 说明 |
0 | 无功能 | 即使有信号输入变频器也不动作。可将未使用的端子设定无功能防止误动作。 |
1 | 正转运行(FWD) | 通过外部端子来控制变频器正转与反转。 |
2 | 反转运行(REV) | |
3 | 三线式运行控制 | 通过此端子来确定变频器运行方式是三线控制模式。详细说明请参考P05.13三线制控制模式功能码介绍。 |
4 | 正转点动 | |
5 | 反转点动 | |
6 | 自由停车 | 变频器封锁输出,电机停车过程不受变频器控制。对于大惯量的负载而且对停车时间没有要求时,经常所采取这种方法。 与P01.08中的自由停车含义相同,主要适用于远程控制。 |
7 | 故障复位 | 外部故障复位功能,与键盘上的STOP/RST键复位功能相同。用此功能可实现远距离故障复位。 |
8 | 运行暂停 | 变频器减速停车,但所有运行参数均为记忆状态。如PLC参数、摆频参数、PID参数。此信号消失后,变频器恢复运行到停车前的状态。 |
9 | 外部故障输入 | 当外部故障信号送给变频器后,变频器报出故障并停机。 |
10 | 频率设定递增(UP) | 由外部端子给定频率时用来修改频率的递增指令、递减指令。
频率增减设定清除端子可以清除变频器内部UP/DOWN设定的辅助通道频率值,使给定频率恢复到仅由主给定频率指令通道给定的频率。 |
12 | 频率设定递减(DOWN) | |
12 | 频率增减设定清除 | |
13 | A设定与B设定切换 | 这功能主要实现频率设定通道之间的切换。 通过13号功能可以实现A频率给定通道和B频率给定通道之间的切换;通过14号功能可以实现由P00.09设定的组合设定通道与A频率给定通道之间的切换;通过15号功能可以实现由P00.09设定的组合设定通道与B频率给定通道之间的切换。 |
14 | 组合设定与A设定切换 | |
15 | 组合设定与B设定切换 | |
16 | 多段速端子1 | 通过四个端子的数字状态组合共可实现16段速的设定。 注意:多段速1为低位,多段速4为高位。 多段速4多段速3多段速2多段速1BIT3BIT2BIT1BIT0 |
17 | 多段速端子2 | |
18 | 多段速端子3 | |
19 | 多段速端子4 | |
20 | 多段速暂停 | 屏蔽多段速选择端子功能,使设定值维持在当前状态。 |
21 | 加减速时间选择1 | 通过此两个端子的状态组合来选择4组加减速时间: 端子1端子2加速或减速时间选择对应参数OFFOFF加减速时间1P00.11/P00.12ONOFF加减速时间2P08.00/P08.01OFFON加减速时间3P08.02/P08.03ONON加减速时间4P08.04/P08.05 |
22 | 加减速时间选择2 | |
23 | 简易PLC停机复位 | 重新开始简易PLC过程,清除以前的PLC状态记忆信息。 |
24 | 简易PLC暂停 | PLC在执行过程中程序暂停,以当前速度段一直运行,功能撤销后,简易PLC继续运行。 |
25 | PID控制暂停 | PID暂时失效,变频器维持当前频率输出。 |
26 | 摆频暂停(停在当前频率) | 变频器暂停在当前输出,功能撤销后,继续以当前频率开始摆频运行。 |
27 | 摆频复位(回到中心频率) | 变频器设定频率回到中心频率。 |
28 | 计数器复位 | 进行计数器状态清零。 |
29 | 速度和转矩控制切换 | 变频器从转矩控制模式切换到速度控制模式或从速度控制模式切换到转矩控制模式。 |
30 | 加减速禁止 | 保证变频器不受外来信号影响(停机命令除外),维持当前输出频率。 |
31 | 计数器触发 | 使能计数器脉冲计数。 |
33 | 频率增减设定暂时清除 | 当端子闭合时,可清除UP/DOWN设定的频率值,使给定频率恢复到由频率指令通道给定的频率,当端子断开时重新回到频率增减设定后的频率值。 |
34 | 直流制动 | 命令有效后,变频器立即开始直流制动。 |
35 | 电机1与电机2切换 | 该端子有效时,可以实现两个电机的切换控制。 |
36 | 命令切换到键盘 | 该功能端子有效时,则运行命令通道强制切换为键盘运行命令通道,该功能端子无效后运行命令通道恢复原状。 |
37 | 命令切换到端子 | 该功能端子有效时,则运行命令通道强制切换为端子运行命令通道,该功能端子无效后运行命令通道恢复原状。 |
38 | 命令切换到通讯 | 该功能端子有效时,则运行命令通道强制切换为通讯运行命令通道,该功能端子无效后运行命令通道恢复原状。 |
39 | 预励磁命令 | 该端子有效则启动电机预激磁,直至该端子无效。 |
40 | 用电量清零 | 命令有效后,变频器的用电量清零。 |
41 | 用电量保持 | 命令有效时,变频器的当前运行不影响变频器用电量。 |
42 | 转矩上限设定源切换到键盘设定 | 命令有效时,转矩上限由键盘设定 |
43 | 位置参考点输入 | 仅S1,S2,S3有效 |
44 | 主轴定向禁止 | 主轴定位功能无效 |
45 | 主轴回零/本地定位回零 | 触发进入主轴定位功能 |
46 | 主轴零点位置选择1 | 主轴零点位置通过端子选择1 |
47 | 主轴零点位置选择2 | 主轴零点位置通过端子选择2 |
48 | 主轴分度选择1 | 主轴分度值通过端子选择1 |
49 | 主轴分度选择2 | 主轴分度值通过端子选择2 |
50 | 主轴分度选择3 | 主轴分度值通过端子选择3 |
51 | 位置控制与速度控制切换端子 | 位置控制和速度控制切换 |
52 | 脉冲输入禁止 | 端子有效时,脉冲输入无效 |
53 | 位置偏差清除 | 清除位置环的输入偏差 |
54 | 位置比例增益切换 | 切换位置比例增益 |
55 | 数字位置定位循环定位使能 | 数字位置定位模式时有效,使能循环定位功能 |
56 | 紧急停止 | 命令有效时,电机按P01.25时间进行紧急减速停机 |
57 | 电机过温故障输入 | 电机过温故障输入时,电机故障停车 |
59 | FVC切换到空间电压矢量控制 | 在停机状态下,该端子有效,则切换到空间电压矢量控制。 |
60 | 切换到FVC控制 | 在停机状态下,该端子有效,则切换到FVC(闭环矢量)控制。 |
61 | PID极性切换 | 切换PID的输出极性,与P09.03结合使用 |
62 | 保留 | |
63 | 伺服使能 | P21.00的千位设置伺服使能时,伺服使能端子有效,控制变频器进入0伺服控制,此时,不需要起动命令。 |
64 | 正转极限限位 | 正转频率限幅 |
65 | 反转极限限位 | 反转频率限幅 |
66 | 编码器计数清零 | 位置计数值清零 |
67 | 脉冲递增 | 该端子功能有效,则脉冲输入按照P21.27脉冲速率递增 |
68 | 脉冲叠加使能 | 脉冲叠加使能后,脉冲递增和脉冲递减功能才有效 |
69 | 脉冲递减 | 该端子功能有效,则脉冲输入按照P21.27脉冲速率递减 |
70 | 电子齿轮选择 | 该端子有效,比例分子切换到P21.30第二指令比例分子 |
71 | 切换到主机 | 停机状态下,该端子有效,则切换到主机模式。 |
72 | 切换到从机 | 停机状态下,该端子有效,则切换到从机模式。 |
73~79 | 预留变量 |
相关参数表:
功能码 | 名称 | 参数详细说明 | 缺省值 |
HDI输入类型选择 | 0x00~0x11 个位:HDIA输入类型选择 0:HDIA为高速脉冲输入 1:HDIA为开关量输入 十位:HDIB输入类型选择 0:HDIB为高速脉冲输入 1:HDIB为开关量输入 | 0x00 | |
S1端子功能选择 | 0:无功能 1:正转运行 2:反转运行 3:三线式运行控制 4:正转寸动 5:反转寸动 6:自由停车 7:故障复位 8:运行暂停 9:外部故障输入 10:频率设定递增(UP) 11:频率设定递减(DOWN) 12:频率增减设定清除 13:A设定与B设定切换 14:组合设定与A设定切换 15:组合设定与B设定切换 16:多段速端子1 17:多段速端子2 18:多段速端子3 19:多段速端子4 20:多段速暂停 21:加减速时间选择1 22:加减速时间选择2 23:简易PLC停机复位 24:简易PLC暂停 25:PID控制暂停 26:摆频暂停 27:摆频复位 28:计数器复位 29:速度和转矩控制切换 30:加减速禁止 31:计数器触发 32:保留 33:频率增减设定暂时清除 34:直流制动 35:电机1切换电机2 36:命令切换到键盘 37:命令切换到端子 38:命令切换到通讯 39:预励磁命令 40:用电量清零 41:用电量保持 42:转矩上限设定源切换到键盘设定 43:位置参考点输入(仅S1,S2,S3有效) 44:主轴定向禁止 45:主轴回零/本地定位回零 46:主轴零点位置选择1 47:主轴零点位置选择2 48:主轴分度选择1 49:主轴分度选择2 50:主轴分度选择3 51:位置控制与速度控制切换端子 52:脉冲输入禁止 53:位置偏差清除 54:位置比例增益切换 55:数字位置定位循环定位使能 56:紧急停止 57:电机过温故障输入 59:切换到V/F控制 60:切换到FVC控制 61:PID极性切换 62:保留 63:伺服使能 64:正转极限限位 65:反转极限限位 66:编码器计数清零 67:脉冲递增 68:脉冲叠加使能 69:脉冲递减 70:电子齿轮选择 71:切换到主机 72:切换到从机 73~79:保留 | 1 | |
S2端子功能选择 | 4 | ||
S3端子功能选择 | 7 | ||
S4端子功能选择 | 0 | ||
HDIA端子功能选择 | 0 | ||
HDIB端子功能选择 | 0 | ||
预留变量 | 0 | ||
输入端子极性选择 | 0x00~0x3F | 0x00 | |
开关量滤波时间 | 0.000~1.000s | 0.010s | |
虚拟端子设定 | 0x00~0x3F(0:禁止,1:使能) BIT0:S1虚拟端子 BIT1:S2虚拟端子 BIT2:S3虚拟端子 BIT3:S4虚拟端子 BIT4:HDIA虚拟端子 BIT5:HDIB虚拟端子 | 0x00 | |
端子控制运行模式 | 0:两线式控制1 1:两线式控制2 2:三线式控制1 3:三线式控制2 | 0 | |
S1端子闭合延时时间 | 0.000~50.000s | 0.000s | |
S1端子关断延时时间 | 0.000~50.000s | 0.000s | |
S2端子闭合延时时间 | 0.000~50.000s | 0.000s | |
S2端子关断延时时间 | 0.000~50.000s | 0.000s | |
S3端子闭合延时时间 | 0.000~50.000s | 0.000s | |
S3端子关断延时时间 | 0.000~50.000s | 0.000s | |
S4端子闭合延时时间 | 0.000~50.000s | 0.000s | |
S4端子关断延时时间 | 0.000~50.000s | 0.000s | |
HDIA端子闭合延时时间 | 0.000~50.000s | 0.000s | |
HDIA端子关断延时时间 | 0.000~50.000s | 0.000s | |
HDIB端子闭合延时时间 | 0.000~50.000s | 0.000s | |
HDIB端子关断延时时间 | 0.000~50.000s | 0.000s | |
最近故障输入端子状态 | 0 | ||
开关量输入端子状态 | 0 |